Накопительный септик Гринлос СП 3 в Нижнем Новгороде
В наличии
- ПВЗ Деловые линии, СДЭК, ПЭК 13.04.2026, по тарифам ТК
- Количество пользователей: 3 человека
- Залповый сброс: 150 л
- Объём переработки: 0.6 м3/сут
- Диаметр труб (вх/вых): 110/110 мм
- Глубина залегания подводящей трубы: до 60 см
- ДхШхВ: 1.5х1.2х1.2 м
- Способ отвода: самотечный
- Диаметр: 1.2 м
- Диаметр горловины: 160 мм
- Вес: 81 кг
- Преимущества: Энергонезависимость, Многоступенчатая очистка
- Наличие: на складе, доставка сегодня
Категории септика:
Накопительные для дачи с откачкой Для дачи непостоянного или сезонного проживания- человек x3
- краны x1
- туалеты x1
- стиральные машины x1
Преимущества над конкурентами
Гарантированная надежность даже при отключении электроэнергии и экономия на эксплуатационных расходах. В отличие от электрических септиков, накопительный септик Гринлос СП 3 не требует насосов и компрессоров. Большие переливные отверстия предотвращают засоры и затопление.
Прочный и долговечный материал, превосходящий другие виды пластика. Не растрескивается от давления и перепадов температур, обеспечивая срок службы до 50 лет без необходимости замены.
Герметичная конструкция Гринлос Накопительного септика СП 3 исключает трещины и разгерметизацию, защищая окружающую среду и здоровье людей. Грунт и подземные воды надежно защищены от загрязнений, предотвращая неприятные запахи и попадание вредных веществ.
Септик обеспечивает поэтапную очистку сточных вод с разделением на фракции. Возможность использования биоферментных препаратов повышает эффективность и скорость очистки, что обеспечивает быструю обработку и отведение очищенных стоков.
Устройство
Накопительный септик Гринлос СП 3 представляет собой современное оборудование для сбора и временного хранения бытовых сточных вод. Он предназначен для использования в частных домах, дачах и небольших предприятиях, где нет центральной канализационной системы.
Монтаж и установка
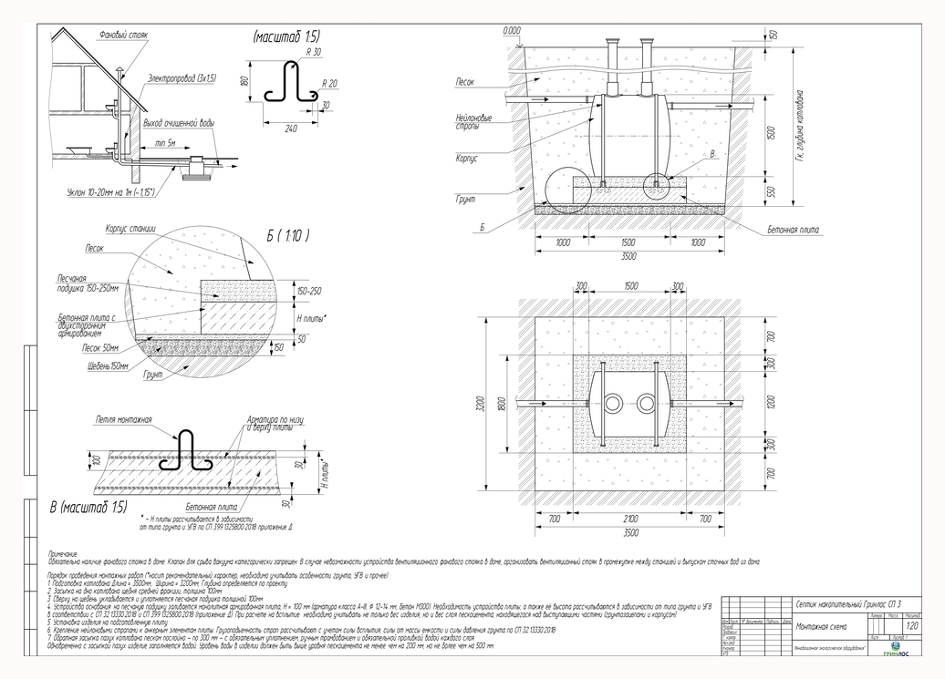
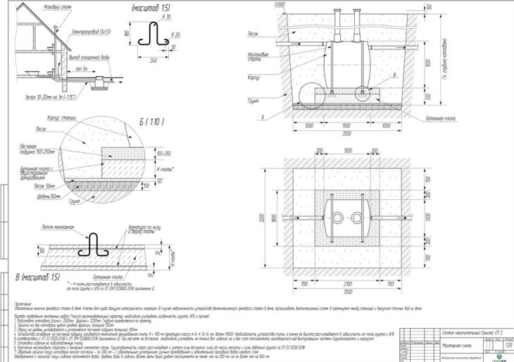
По боковым стенкам корпуса необходимо оставить свободное пространство до грунта не менее 300 мм. Дно котлована требует тщательной подготовки: сначала укладывается слой щебня толщиной 150 мм, затем на него накладывается песчаная подушка толщиной 100-150 мм. Пазухи котлована засыпаются песком, который послойно увлажняется водой. Перед началом аналогичных работ оборудование заполняется водой на четверть своей емкости. Далее количество воды внутри емкости увеличивается пропорционально уровню засыпки песком внешних стенок. Котлован засыпается пескоцементной смесью (в пропорции 1:5) послойно, при этом каждый слой толщиной 300 мм уплотняется.
Поверх корпуса оборудования насыпается песчаный слой высотой 150-300 мм. Для подключения оборудования к внутренней канализационной системе используются предназначенные для этого канализационные трубы.
Уклон труб при создании трубопроводной сети должен составлять 2,5-3 см на каждый метр длины.
Модельный ряд
Монтажные схемы Накопительный септик Гринлос СП 3
Документация
Отзывы о нас на Яндекс
Магнум Траст
5,0
77 оценок
